波形運算的實時性可直接體現產品的性能,ZDL6000和ZDL5000在100M采樣率下的波形運算速度小于100微秒,非常適用于高速計算場合,如無線充電的功率運算、電感、電容的功耗運算等。
在三相三線制和三相四線制的功率測試系統中,如果要實時得到各相的電壓、電流、功率值可使用功率測量功能。ZDL6000和ZDL5000最多可以在兩個虛擬通道上完成兩組3 相電的功率測試。
ZDL6000和ZDL5000示波記錄儀允許用戶通過自定義公式對屏幕中的波形進行數學運算,數學運算的結果將以波形方式進行呈現,用戶還可以對數學運算的波形進行二次分析。
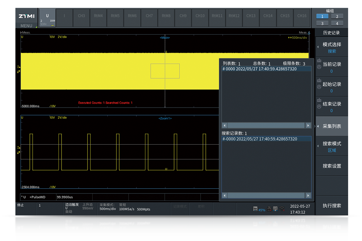
ZDL6000和ZDL5000示波記錄儀客戶不僅可以保存歷史5000屏的數據,還可以針對5000屏的數據進行歷史搜索,用戶可以快速定位異常信號。
