ZUS6000高精度智能應用型示波器
讓用戶實現更高精度、更強專業、更加智能的測試與分析
12bit高速ADC,看清波形微小細節
示波器的ADC 位數越高,波形的垂直分辨率就可以越細,就可以看到更多的波形細節。ZUS6000 采用12bit 高速ADC,垂直分辨點數達到4096點,測量精度達到0.8%,可以精準地觀察到更微小的波形變化。
更低的本底噪聲與無級FIR濾波,給你想要的真實波形
提升示波器ADC采樣位數的同時,需要降低示波器本底噪聲對實測信號的影響。ZUS6000 示波器不僅擁有良好的本底噪聲(50Ω阻抗實測為137μVrms),還提供無級FIR 濾波器,可在10Hz-500MHz 之間設置任意濾波頻點,濾除無效信號。
可獨立配置的參數測量統計
在之前的示波器產品中,所有的測量參數使用的是同一閾值設置,如果要測試兩個不同高度的上升時間,就需要將示波器暫停,通過修改配置做兩次測量。ZUS6000可針對測量參數做獨立的閾值設置,實現針對同一信號、在同一時刻,顯示不同的測量結果。
多公式波形運算,提升計算效率
ZUS6000支持同時增加多達4個不同公式的波形運算,不同運算結果可以顯示在不同的波形窗口,讓工程師看到更多的視角和細節。運算通道可以選擇顯示與隱藏,同時不影響運算的正常進行,操作靈活,滿足更多場合需求。
創新X-Key鍵實現自定義功能與測試流程
不同工程師使用示波器有不同的習慣操作,為了滿足不同工程師的習慣需求,ZUS6000創新性的推出了自定義按鍵X-Key,工程師可以通過X-Key定制示波器操作、參數測量、波形保存、腳本分析等各種動作和功能,給您更多的自由選擇。
電源分析插件全面評估產品性能
ZUS6000提供的電源分析功能涵蓋了輸入輸出特性測試,MOSFET、磁性元件、電容、電感等器件分析,調制波形測試,可以全方位評測電源產品的可靠性。
環路分析與PSRR測試,深入評估電源性能
穩定的反饋環路對開關電源來說是非常重要的,伯德圖可以直觀呈現負反饋系統的增益、相位的頻率響應曲線,進而可以判斷控制系統是否穩定。電源紋波抑制比(PSRR)也是電源重要的性能參數,評估電源電壓發生變化時,對輸出的電壓影響大小,ZUS6000提供的環路分析功能,配合信號注入器可以實現PSRR的快速測試。
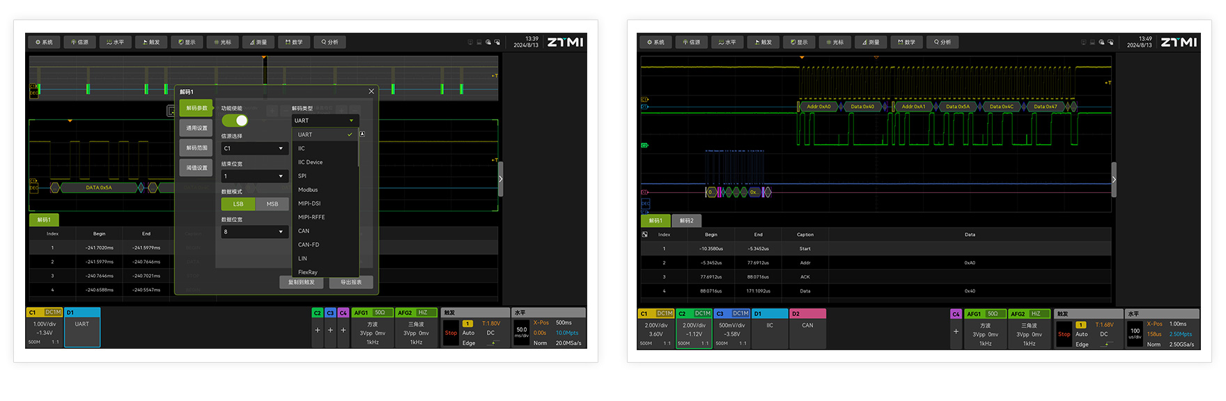
標配40余種協議類型,創新雙線解碼
ZUS6000不僅延續了致遠儀器免費協議解碼的傳統,提供了40余種串行通信協議解碼,還創新性的支持了雙解碼功能,可以實現同一時刻,不同協議同時解析,這一實用功能將大大提升了工程師做協議分析的效率。
時序分析完成總線一致性測試
手機、智能穿戴、家電、多媒體影音、汽車電子配件等智能設備,對于內部總線通信時序一致性有嚴格要求。ZUS6000創新的時序分析功能,可分析IIC、IIS、SPI、MIPI-RFFE等信號的脈寬、幅值、邊沿、建立時間、保持時間等參數,并導出測試一致性報告。
以太網總線分析
ZUS6000支持百兆以太網分析軟件,能夠自動測試以太網100Base-TX標準的信號特性,并在短時間內完成信號眼圖,傳輸特性分析,并與標準協議參數做對比,給出信號測試結果( Pass/Fail ),并支持完整測試報告的導出。
全新遠程控制方式,提升產品使用便捷性
為了更方便工程師對示波器的的操作以及對波形數據的處理,ZUS6000同步提供全新一代MTA上位機軟件和全新的web遠程服務器功能,幫助工程師進行遠程控制示波器,讀取示波器波形,甚至實現腳本文件編程下發,實現示波器快速二次開發的應用。
我們示波器的起源
