一機多域,同步洞察:示波記錄儀內置CAN卡的決定性優勢
2025-08-29
告別數據孤島,解鎖系統級調試
在調試復雜的機電一體化系統時,您是否常常感到像是在破解一個"羅生門"?
例如充電樁給車載OBC充電中斷時,是指令異常還是電源擾動?如何精準關聯CAN總線指令與電壓/電流的實時波形?
電氣工程師說:"我的電機電流波形一切正常,問題肯定出在控制指令上!"
軟件工程師反駁:"CAN總線上的控制報文發送頻率和數據完全正確,是執行端出了故障!"
之所以產生分歧,根源在于:示波器和CAN分析儀是兩套采用獨立時鐘源的系統,它們各自生成的時間戳存在對齊誤差,無法保證精確同步。因此,工程師無法在觀測到物理層信號異常的精確時刻,鎖定對應的總線報文,反之亦然。
針對這一挑戰,致遠儀器ZDL系列示波記錄儀采用了板載CAN/CAN FD模塊的集成架構。其核心設計并非簡單的功能疊加,而是將協議采集與模擬量采集置于統一的硬件平臺和時間基準下,為跨域故障診斷提供客觀、統一的數據依據。
什么是"一機多域,同步洞察"?
這里的"多域",指的是能夠在一臺設備、一個界面、一條時間軸上,同步兩類最關鍵的數據:
模擬域:電壓、電流、溫度等一切真實的物理傳感器信號;
協議域:CAN/CAN FD總線上的所有控制指令、狀態信息和通信報文。
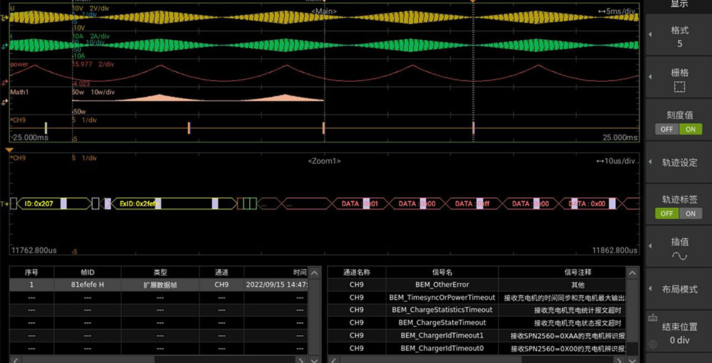
"同步洞察"的核心在于一個統一的高精度時基。每一個CAN報文都被打上納秒級的時間戳,與對應時刻的模擬波形嚴格對齊。通過這種同步采集機制,指令與物理響應之間的時序關系、延遲和因果關聯,便具備了精確的量化分析基礎。
如下圖所示,電壓、電流、功率與CAN信號被同時采集并呈現在統一的時間軸上。
決定性優勢:從"猜測"到"確證"
精準的因果關聯,結束責任爭論
1、傳統方式
在示波器上觀察到電機相電流過沖,再到CAN分析軟件的海量日志中人工尋找可能同時刻的報文,過程繁瑣且充滿不確定性。
2、ZDL方式
ZDL系列示波記錄儀支持CAN/CANFD報文、電壓、電流、溫度同步記錄,在同一時間軸上進行多屏同步分析,結合ZDL系列獨有的大數據分析功能,可通過python腳本將采集到的CAN/CANFD、電壓、電流、溫度等信號進行自定義腳本分析,以及將結果生成TXT文檔方便用戶進一步做報告和記錄。
深度的"黑匣子"記錄,復現偶發故障
憑借示波記錄儀海量的存儲深度,工程師可以進行長時間、不間斷的多域數據記錄。
1、應用場景
將ZDL連接至待測設備(如新能源汽車的VCU、工業機器人控制器),進行路試或耐久性測試,如圖2所示。
2、價值
當偶發故障出現后,可以像回放飛機"黑匣子"一樣,精確回溯故障發生前、中、后全系統的所有狀態(物理信號+通信數據),無需復現故障即可定位根因,極大提升調試效率。
CAN/CAN FD板卡功能亮點
作為節點自定義報文收發
ZDL系列示波記錄儀搭配4張CANFD卡,不僅可同時監聽8路CAN總線,還支持CAN2.0、CANFD協議的幀發送,對幀類型、幀ID、數據長度以及重復次數等進行自定義設置,如圖所示。
DBC解析及趨勢圖
ZDL系列示波記錄儀可以根據加載的DBC文件對接收到的報文進行DBC解析,以及生成最高480路趨勢波形數據,每路趨勢波形最高采樣率達到100kSa/s。如圖所示。
結 語
致遠儀器ZDL系列示波記錄儀通過其板載CAN/CAN FD的集成架構,實現了通信協議與物理層信號在硬件層面的時間同步。這一方案有效解決多設備獨立測量時的數據關聯難題,同時其通道隔離設計也保證了復雜測試環境下的信號完整性與設備安全。
對于從事車載電源、電機控制等系統調試的工程師而言,它提供了一種高效、可靠的跨域聯合分析工具,有助于顯著提升研發與故障排查的效率。
